Short pitch roller chain SA&SK series attachments | Roller chain attachments | Short pitch conveyor chain
Item specifics
- Material:
- alloy steel
- Heat Treatment:
- Through hardening
- Color:
- Zincplated,Nickel Plated,Black Finished
- Shipping:
- Support Sea freight.Express.Land freight.
Review
Description
Short pitch roller chain SA&SK series attachments | Roller chain attachments | Short pitch conveyor chain
Short pitch stainless steel chain SA&SK series attachments
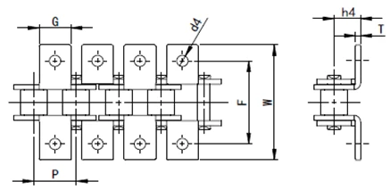
SA1

SK1



ZMIE Chain No. | P | G | C | F |
T
|
d4 |
|
mm | mm | mm | mm | mm | mm | ||
08ASS | 40SS | 12.70 | 9.50 | 12.70 | 19.05 | 1.50 | 3.40 |
10ASS | 50SS | 15.875 | 12.70 | 15.90 | 25.25 | 2.03 | 5.50 |
12ASS | 60SS | 19.05 | 15.90 | 18.30 | 29.33 | 2.42 | 5.50 |
16ASS | 80SS | 25.40 | 19.10 | 24.60 | 34.70 | 3.25 | 6.80 |
20ASS | 100SS | 31.75 | 25.40 | 31.80 | 43.30 | 4.00 | 9.20 |
24ASS
|
120SS | 38.10 | 28.60 | 36.50 | 51.60 |
4.80
|
9.80 |
28ASS | 140SS | 44.45 | 34.90 | 44.50 | 62.00 | 5.60 | 11.40 |
32ASS | 160SS | 50.80 | 38.10 | 50.80 | 69.85 | 6.40 | 13.10 |
06BSS | 9.525 | 8.00 | 9.52 | 13.50 | 1.30 | 3.50 | |
08BSS | 12.70 | 9.50 | 13.35 | 18.90 | 1.60 | 4.30 | |
10BSS | 15.875 | 14.30 | 16.50 | 22.95 | 1.70 | 5.30 | |
12BSS | 19.05 | 16.00 | 21.50 | 28.60 | 1.85 | 6.40 | |
16BSS | 25.40 | 19.10 | 23.15 | 34.00 | 3.10 | 6.40 |
Short pitch roller chain broadly used in power transmission applications, ranging from general industrial applications for operation in specialized areas, such as food processing, heavy construction equipments. ZMIE offers a wide array of attachment chains suitable for nearly any application. Our base chains feature the quality that you know and trust. For the SA and SK attachment, the link plate is extended on one side of the chain, and one or two bolt holes are installed. These are called SA-1/SK-1 or SA-2/SK-2 depending on the number of the bolt holes.